匠心家具,传承经典

产品中心

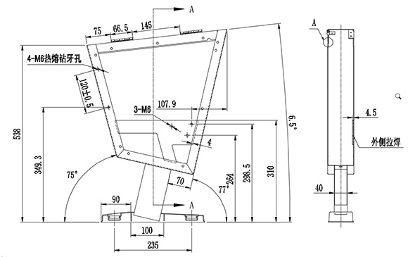
1201C

产品介绍

拨打电话 复制微信